大東海泵業無錫有限公司
銷售總部:江蘇無錫新吳區長江路21-1號創源大廈309
生產基地:無錫市東港鎮
銷售熱線:0510-82108358
銷售熱線:0510-82116911
聯系電話:13395114288
QQ: 2634113519


大東海泵業無錫有限公司
銷售總部:江蘇無錫新吳區長江路21-1號創源大廈309
生產基地:無錫市東港鎮
銷售熱線:0510-82108358
銷售熱線:0510-82116911
聯系電話:13395114288
QQ: 2634113519


大東海泵業無錫有限公司是一家專業的立式便拆式離心泵生產廠家。在客戶立式便拆式離心泵選型時,我公司水泵廠家會提供完善的立式便拆式離心泵型號、立式便拆式離心泵價格等售前服務,以供客戶參考,并且我水泵廠家能為客戶提供定制泵業產品的服務。本條產品資訊是關于立式便拆式離心泵ISGB125-32A的外形尺寸|重量|參數資料的知識:
立式便拆式離心泵是非常常見的通用離心泵類產品,在實際生產生活當中經常會遇到。有時因為自己的泵房空間,或是出于安裝便利的考慮,在采購立式便拆式離心泵之前,想先了解一下自己要采購的離心泵產品具體安裝尺寸、參數、重量等信息,這是非常有必要的。
下面,我公司具體給大家列出立式便拆式離心泵ISGB125-32A的詳細性能參數:
流量:150M3/H;揚程:28M;功率:18.5KW;轉速:2900r/min;必須汽蝕余量:4米
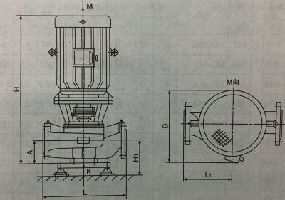
外形尺寸等詳見下表:

| 型號 |
L (mm) |
B (mm) |
H (mm) |
C1×B1 (mm) |
A (mm) |
L1 (mm) |
| ISGB125-32A | 580 | 430 | 1190 | 260×310 | 185 | 280 |
|
重量 (KG) |
C2×B2 (mm) |
d1 (mm) |
D (mm) |
D1 (mm) |
d (mm) |
H1 (mm) |
| 230 | 210×260 | 23 | 250 | 210 | 18 | 305 |
ISGB型立式便拆式離心泵是在IS型泵、ISG型立式泵的基礎上,一方面結合國外先進技術,另一方面根據本公司多年的生產經驗和廣大用戶的寶貴經驗,綜合開發成功的一種新穎、技術好于其他同類產品的立式便拆式離心泵。電機采用Y系列標準電機,整臺泵采用便拆結構,解決了更換大功率離心泵的軸承、機械密封、葉輪等易損件不方便的難題。
ISGB型立式便拆式離心泵結構優點:
1.泵軸和電機軸采用硬性連接,振動小、噪音低;
2.泵進出口口徑相同,能像閥門一樣安裝在管路的任意位置,且裝有底盤,使泵安裝簡便、穩固;
3.泵軸有獨立的支撐點,使電機軸承運行可靠;
4.用強制環流的不受轉向限制的特殊結構機械密封,運行可靠、壽命長;
5.獨立的安裝結構大大縮小泵的占地面積,節約建設投資30﹪~50﹪;
6.完美的設計確保泵無泄漏、長壽命運行,節約運行管理費40﹪~70﹪。
非常感謝您對大東海泵業無錫有限公司官方網站的訪問!以上是關于立式便拆式離心泵ISGB125-32A的外形尺寸|重量|參數資料的介紹,如您對此問題還想深一步了解,或有其他泵業產品、水泵選型、水泵型號、水泵價格的問題需要解答,請聯系本水泵廠家,隨時歡迎您的咨詢。謝謝